How to monitor extrusion pressure
Published 1y. Edited 1y.Published about 1 year ago. Last edit about 1 year ago.
This guide covers the steps required to install a hot melt pressure transducer onto your Precious Plastic Extruder, to enhance it's safety and performance. The guide is based off our research project, and is broken down into easy-to-follow steps.
Note; The parts in this project cost us upwards of $1500AUD.
Our research can be found here: https://community.preciousplastic.com/research/pressure-transducer-for-use-on-extruder
Download the file below to access our open source documentation.Guides
extrusion

More Information
1
Download the files
Download the files from the link above. Inside you will find:
1. Data Sheet - MELT PRESSURE TRANSDUCERS
2. Interactive BOM
3. Schematics
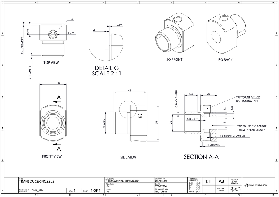
4. Transducer nozzle files;
• NOZZLE, TRANSDUCER_.step
• TRANSDUCER NOZZLE.pdf
• PLUG TRANSDUCER NOZZLE_.step
• PLUG, TRANSDUCER NOZZLE.pdf

2
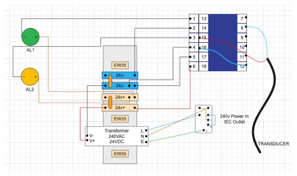
Electronic enclosure / wiring
Use our Bill Of Material / Schematic to help source the components require for your electronics enclosure. The file is interactive, and will link you to the parts we have used or similar.
The schematic can be used by a competent professional to connect the power, indicator, lights and transducer.

3
Mill the nozzle
Send the step files and drawings to a CNC machinist. The nozzle should be made from brass, as it's easy to machine and is a good conductor of heat, meaning the plastic inside the nozzle won't cool down between extruded parts.
The thread we are using is BSP, however the drawings can be modified to suit an alternate thread.




4
Fit the nozzle
Remove your existing nozzle and install the new version. You will notice the nozzle has two holes on the side and one on the front. The front hole is used to connect the mould to the extruder. The hole pointing toward the back of the machine is where the transducer will be installed. You will install the plug in the hole toward the front, or a Rupture Disc* as a fail safe.
*See final step for more information on Rupture Discs.

5
Extrude!
1. Load extruder with flake and purge unit material in the nozzle is molten.
2. Install a closed mould with 5mm air vent.
Set the VFD frequency to 20 Hz and record the corresponding indicator reading.
3. When plastic exits the air vent, stop machine.
4. Record indicated value.
5. Record machine setting.
6. Record temperature.
7. Repeat process by gradually increasing the VFD frequency in increments of 5 Hz, recording the indicator reading at each step.

6
*Rupture disc
Only preliminary testing on pressure monitoring has been undertaken at the time of documentation. Parts sometimes fail, and therefore this method should not be solely relied on. We only use moulds that have vents as a fail safe, however industrial machines will have a Rupture Disc (can be installed in the spare threaded hole) installed as a backup.
Here's how they work:
• Pressure relief: The disc is engineered to rupture at a predetermined pressure level. When the pressure within the extruder exceeds this limit, the disc bursts, allowing the excess pressure to escape safely.
• Preventing damage - This sudden pressure release prevents:
- Equipment damage: Overpressure can cause severe damage to the extruder barrel, screw, and other components.
- Injuries: High-pressure leaks can pose serious risks to personnel.
7
Our findings
The hot melt pressure transducer, in conjunction with the Precious Plastic V4 Extruder (or similar) and VFD, demonstrated effective performance in extruding both HDPE and LDPE into various mould sizes. The optimal VFD frequency and indicator setting varied depending on the plastic type and desired product quality.
Further research is recommended to additionally explore the effects of temperature, screw speed, and back pressure on extrusion performance at different VFD frequencies.
Additionally, testing with a wider range of plastic types and mould geometries could provide valuable insights for future applications.

8
Recommendations
Test limits on moulds with vents to understand the limits before testing on closed moulds. ALWAYS start on a low setting and be vigilant if you feel something may be wrong.

9
License & Disclaimer
Precious Plastic Melbourne provides this information "as is" and accepts no liability for any consequences arising from its use. Building or using anything based on this information is at your own risk.
Our content is licensed under a Creative Commons Attribution-ShareAlike International 4.0 License (CC BY-SA 4.0). You're free to share and adapt it, even commercially, but must give appropriate credit, provide a link to the license, and license your contributions under the same terms.
In simple terms:
• Use at your own risk - We're not responsible for anything that happens when you use our info.
• Share freely - Copy, share, and change it as you like.
• Give credit - Tell people where you got it and share your changes under the same license.

